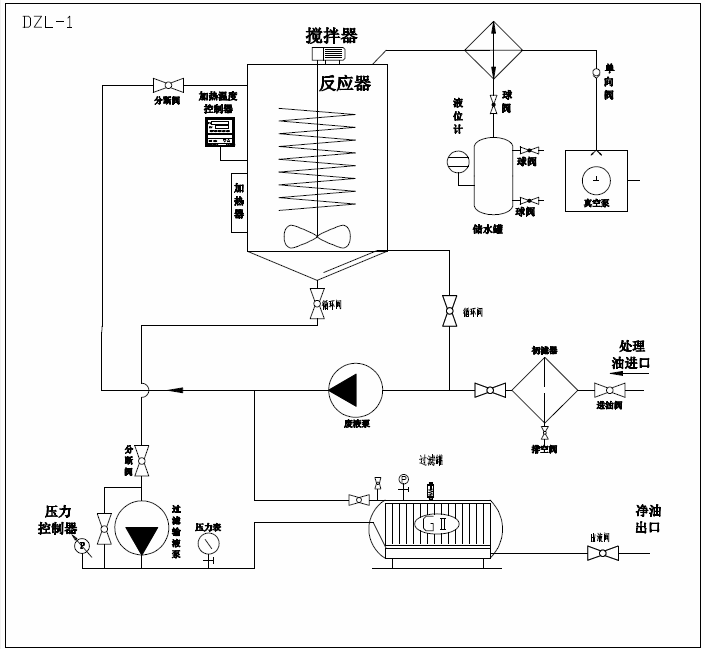
真空滤油机的结构图
真空滤油机的事情原理:
真空滤油机又称真空高效滤油机,滤油机,真空净油机。。。是一款用途普遍除杂除水有用的装备。。。海内电厂、电站、电力公司、冶金、石化、机械、交通、铁路等行业主要过滤装备。。。真空净油机是凭证水和油的沸点差别原理而设计的,,,,,,它由真空加热罐精滤器、冷凝器、初滤器、水箱、真空泵、排油泵以及电气柜组成的。。。真空泵将真空罐内的空气抽出形成真空,,,,,,在大气压强的作用下,,,,,,经由有入口管道进入初滤器,,,,,,扫除较大的颗粒,,,,,,然后进入加热罐内,,,,,,经由加热等40~75℃的油通过自动油漂阀。。。经由加热后的油液通过喷翼飞快旋转将油疏散成半雾状,,,,,,油中的水份急速蒸发成水蒸气并一连被真空泵吸入冷凝器内。。。进入冷凝器的水蒸气经冷却后再返原成水放出,,,,,,在真空加热罐内的油液,,,,,,被排油泵排入精滤器通过滤油纸或滤芯将微粒杂质过滤出来,,,,,,从而完成真空滤油机迅速除去油中杂质、水份、气体的全历程,,,,,,使清洁的油从出油处倾轧机外。。。
真空滤油机的结构图:
真空滤油机结构重大,,,,,,需要几十个办法才华获得清洁的油品。。。

asiagame过滤装备种真空滤油机包括双级真空滤油机和单级真空滤油机。。?????晒吮溲蛊饔汀⒁貉褂偷热蠡。。。随着工业手艺的提升真空滤油机对水和杂质得过滤越来越高,,,,,,可达98%以上。。。
6
免责说明:以上展示内容泉源于相助媒体、企业机构、网友提供或网络网络整理,,,,,,版权争议与本站无关,,,,,,文章涉及看法与看法不代表asiagame滤油机网官方立。。。,,,,,请读者仅做参考。。。本文接待转载,,,,,,转载请说明来由。。。若您以为本文侵占了您的版权信息,,,,,,或您发明该内容有任何涉及有违公德、冒犯执法等违法信息,,,,,,请您连忙联系asiagame实时修正或删除。。。

